9123 计算机辅助设计
1.[单选题] 如果一张纸的左下角点为(30,10),右上角点为(120,80),那么该图纸的图限范围为( ) 。
下载答案,请参考帮助中心说明q
A.60 X 100
B.90 X 70
C.90 X 100
D.120 X 90
2.[单选题] 通过AutoCAD,若要移动对象, 旋转对象,可以分别使用 ( )命令来进行操作。
A.MOVE, SCALE
B.MOVE, ROTATE
C.JOIN, ROTATE
D.ROTATE, EXTEND
3.[单选题] 使用工具栏中的
可分别用于绘制( ) 。
A.正多边形、矩形和圆弧
B.正多边形、矩形和圆
C.正多边形、矩形和椭圆弧
D.矩形、正多边形和椭圆弧
4.[单选题] 需要进行椭圆绘制时,在AutoCAD中可以使用( )命令来绘制椭圆。
A.CIRCLE
B.RAY
C.ELLIPSE
D.LINE
5.[单选题] 当涉及面域布尔运算时,可以对面域进行( )三种布尔运算。
A.交集、并集、差集
B.交集、并集、乘集
C.差集、并集、乘集
D.差集、并集、与或集
6.[单选题] 在AutoCAD中可以创建和管理图层。以下对图层的说法不正确的是:
A.每个图层都有名称,图层的名称按图层1、图层2的编号依次递增,用户是不能对图层名称进行修改的。
B.用户可以改变图层的线型、颜色和状态。
C.用户可以建立多个图层,但只能在当前图层上绘图。
D.各图层具有相同的坐标系,绘图界限及显示时的缩放倍数。
7.[单选题] 用户可以使用标注功能,标注倾斜直线的实际长度时,可使用:
A.半径标注
B.角度标注
C.对齐标注
D.直径标注
8.[单选题] AutoCAD支持三维建模。图中左边为原始图形,右边为操作后的图形。可以通过( )操作方便地从左边原始图形得到右边操作后的图形。
A.三维阵列
B.实体倒角
C.三维镜像
D.剖切
9.[单选题] 可以对图形进行操作,图中操作后的图形可以通过原始图形的( )操作得到。

A.面域并集运算
B.复制
C.面域交集运算
D.移动
10.[单选题] AutoCAD支持三维建模。( )为一种轮廓模型,它由三维的曲线和直线组成。( )不仅定义三维对象的边界,而且还定义表面。( )不仅具有线和面的特征,而且还具有体的特征。
A.实体模型、曲面模型、线框模型
B.线框模型、曲面模型、实体模型
C.曲面模型、实体模型、线框模型
D.线框模型、曲面模型、对象模型
11.[单选题] AutoCAD 2008的图形文件的后缀名为:
A.*.docx
B.*.html
C.*.dwg
D.*.mp3
12.[单选题] 如果一张纸的左下角点为(50,10),右上角点为(140,80),那么该图纸的图限范围为( ) 。
A.70 X 70
B.80 X 70
C.90 X 100
D.90 X 70
13.[单选题] 使用AutoCAD工具栏中
可分别用于绘制( ) 。
A.正多边形、圆弧和圆
B.矩形、正多边形和圆弧
C.正多边形、矩形和圆弧
D.正多边形、矩形和椭圆弧
14.[单选题] 可以在AutoCAD中进行布尔运算,可以对面域进行( )三种布尔运算。
A.交集、并集、与或集
B.交集、差集、乘集
C.交集、并集、差集
D.差集、并集、乘集
15.[单选题] 在AutoCAD中,已知圆心位置和圆的周长,可使用( )来绘制圆。
A.指定两点
B.指定相切、相切、半径
C.指定圆的圆心和半径
D.指定长、宽
16.[单选题] AutoCAD 2008用户可以对图形进行各种操作,图中右边图形可能是通过( )左边的图形得到的。

A.缩放或复制 答案联系q76 1 29 6 02 1
B.删除或移动
C.旋转或镜像
D.阵列或移动
17.[单选题] 在图层中, 表示图层处于( )状态。
A.关闭、被解冻、解锁
B.关闭、被解冻、锁定
C.关闭、被冻结、解锁
D.打开、被解冻、解锁
18.[单选题] 下列的功能不属于AutoCAD 2008的功能有:
A.企业生产管理功能
B.图形编辑功能
C.多种图形格式转换功能
D.尺寸标注和文字输入功能
19.[单选题] 有时会重复使用已建立的图形,根据需要将这组对象插入到图中任意指定位置,并可以按不同的( )和( ) 插入。
A.比例、颜色
B.比例、对齐方式
C.比例、旋转角度
D.颜色、旋转角度
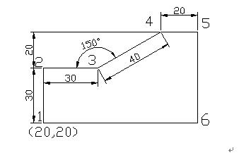
20.[单选题] 可以在AutoCAD中对图形进行各种操作,图中操作后的图形可以通过原始图形的( )操作得到。

A.缩放
B.旋转
C.面域并集运算
D.面域交集运算
21.[单选题] 使用“直线”命令绘制与X轴成45°角,长为200的直线,起点为(0,0),则终点
坐标使用极坐标表示是___________。
A.(@200<135)
B.(@200<45)
22.[单选题] AutoCAD 2008支持三维建模。( )为一种轮廓模型,它由三维的曲线和直线组成。( )不仅定义三维对象的边界,而且还定义表面。( )不仅具有线和面的特征,而且还具有体的特征。
A.线框模型、实体模型、曲面模型
B.实体模型、线框模型、曲面模型
C.曲面模型、实体模型、线框模型
D.线框模型、曲面模型、实体模型
23.[单选题] 用AutoCAD 2008进行直线绘制时,第一个点的绝对坐标是(2,10),第二个点的相对坐标是(3,15),则第二个点的绝对坐标是( ) 。
A.(15,25 )
B.(20,25 )
C.(5,20 )
D.(5,25)
24.[单选题] AutoCAD 2008中 CAD指的是
A.Computer-Aided Diagnosis
B.Communication And Design
C.Computer Aided Design
D.Consumer Advocate Division
25.[单选题] 用户需要将源对象向下阵列,则在"行偏移"文本中输入正数,在"列偏移"文本中输入_____________.
A.正数
B.负数
26.[单选题] 使用( )命令,可以删除对象上的某一部分,或者把对象分成两部分。
A.打断
B.合并
C.分解
D.倒角
27.[单选题] 在AutoCAD中,已知圆的周长和圆心位置,可使用( )来绘制圆。
A.指定三点
B.指定长、宽
C.指定中心点、轴端点、半轴长度
D.指定圆的圆心和半径
28.[单选题] 用户可以使用AutoCAD绘制表格,用图中设置插入的表格有( ) 。

A.3行5列
B.1行10列
C.2行10列
D.10行2列
29.[单选题] 图形建立后,有时会重复使用,为了提高绘图的速度和效率,AutoCAD提供了( ) 。如果一个图形需要参照其他图形或者图像来绘制,又不希望占用太多的存储空间,这时可以采用AutoCAD的( ) 。
A.图块功能、外部参照功能
B.阵列功能、外部参照功能
C.组合功能、外部参照功能
D.镜像功能、外部参照功能
30.[单选题] 使用AutoCAD 2008制图时,将一组对象组合成块之后,根据需要将这组对象插入到图中任意指定位置,并可以按不同的( )和( ) 插入。
A.比例、旋转角度
B.比例、组合对象
C.颜色、旋转角度
D.对齐方式、旋转角度
31.[单选题] 在AutoCAD的菜单中,如果菜单菜单命令后跟有“···”符号,表示______________________ 。
A.该命令下还有子命令
B.单击该命令可打开一个对话框
32.[单选题] ( )命令,可以删除对象上的某一部分,或者把对象分成两部分。
A.合并
B.打断
C.分解
D.圆角
33.[单选题] 通过AutoCAD,需要移动对象, 旋转对象时,可以分别使用 ( )命令来进行操作。
A.MOVE, ERASE
B.LENGTHEN, ROTATE
C.JOIN, ROTATE
D.MOVE, ROTATE
34.[单选题] AutoCAD 2008中CAD缩写指的是
A.Computer-Aided Diagnosis
B.Custom Application Development
C.Computer Aided Design
D.Computer And Database
35.[单选题] 默认状态下,在AutoCAD 2008中当夹点变为( )时,可以对图形对象进行编辑。
A.紫色
B.白色
C.蓝色
D.黄色
36.[单选题] 当在AutoCAD中进行图案填充时,孤岛检测方式有( )三种。
A.普通、外部、区块
B.外部、忽略、区块
C.普通、外部、忽略
D.普通、外部、交叉
37.[单选题] 需要进行椭圆绘制时,在AutoCAD 2008中可以使用( )命令来绘制椭圆。
A.ELLIPSE
B.ARC
C.POLYGON
D.RAY
38.[单选题] 设定新的UCS时,需要通过绕指定轴旋转一定的角度来指定新的UCS,
使用创建方式_____________ 。
A.三点
B.X/Y/Z
39.[单选题] 工具栏中
两个按钮可分别用于创建( )。
A.单行文字、文字样式
B.单行文字、文字样式
C.多行文字、单行文字
D.表格、多行文字
40.[单选题] 在AutoCAD中可以创建和管理图层。以下对图层的描述不正确的是:
A.图层好像是由多张透明的图纸重叠在一起而组成的,用户可以根据图层来对图形几何对象、文字、标注等元素进行归类管理。
B.用户可以对位于不同图层上的对象同时进行编辑操作。
C.每个图层都有名称,图层的名称按图层1、图层2的编号依次递增,用户是不能对图层名称进行修改的。
D.用户可以建立多个图层,但只能在当前图层上绘图。
41.[单选题] 有时会重复使用已建立的图形,为了提高绘图的速度和效率,AutoCAD提供了( ) 。如果一个图形需要参照其他图形或者图像来绘制,又不希望占用太多的存储空间,这时可以采用AutoCAD的( ) 。
A.图块功能、阵列功能功能
B.图块功能、组合功能
C.图块功能、外部参照功能
D.组合功能、外部参照功能
42.[单选题] 在AutoCAD工程制图中,很多图形都会重复使用,为了提高绘图的速度和效率,AutoCAD提供了( ) 。如果一个图形需要参照其他图形或者图像来绘制,而又不希望占用太多的存储空间,这时可以采用AutoCAD的( ) 。
A.阵列功能、外部参照功能
B.图块功能、外部参照功能
C.图块功能、阵列功能功能
D.图块功能、组合功能
43.[单选题] AutoCAD 2008中可以创建和管理图层。以下对图层的说法错误的是
A.用户可以改变图层的线型、颜色和状态。
B.每个图层都有名称,图层的名称按图层1、图层2的编号依次递增,用户是不能对图层名称进行修改的。
C.图层好像是由多张透明的图纸重叠在一起而组成的,用户可以根据图层来对图形几何对象、文字、标注等元素进行归类管理。
D.用户可以对位于不同图层上的对象同时进行编辑操作。
44.[单选题] AutoCAD的工具栏中
可分别用于绘制( ) 。
A.正多边形、矩形和圆
B.正多边形、矩形和圆弧
C.正多边形、圆弧和圆
D.矩形、正多边形和圆弧
45.[单选题] 在AutoCAD中,如图所示,操作后图形可以由操作前图形通过( )操作得到。

A.复制
B.填充
C.缩放
D.旋转
46.[单选题] 绘制一条直线,第一个点的绝对坐标是(0,10),第二个点的相对坐标是(5,15),则第二个点的坐标用绝对坐标表示是( ) 。
A.(5,25)
B.(10,25 )
C.(15,25 )
D.(20,25 )
47.[单选题] 如果一张纸的左下角点为(10,10),右上角点为(100,80),那么该图纸的图限范围为( ) 。
A.60 X 100
B.90 X 70
C.70 X 70
D.80 X 70
48.[单选题] AutoCAD中CAD缩写代表的是
A.Computer Aided Design
B.Computer-Aided Diagnosis
C.Communication And Design
D.Computer And System
49.[单选题] 在AutoCAD中,标注倾斜直线的实际长度时,可使用( )进行标注。
A.半径标注
B.对齐标注
C.圆心标记
D.弧长标注
50.[单选题] 在AutoCAD中,可以对面域进行( )布尔运算。
A.交集、并集、乘集
B.交集、并集、差集
C.交集、并集、与或集
D.交集、差集、乘集
51.[单选题] 使用AutoCAD绘图时,已知圆的周长和圆心位置,可采用( )来绘制圆。
A.指定三点
B.指定圆的圆心和半径
C.指定两点
D.指定相切、相切、半径
52.[单选题] 在图层中,
表示图层处于( )状态。
A.关闭、被冻结、锁定
B.关闭、被冻结、解锁
C.关闭、被解冻、解锁
D.关闭、被解冻、锁定
53.[单选题] 工具栏中
两个按钮可分别用于创建( )。
A.多行文字、文字样式
B.多行文字、单行文字
C.单行文字、文字样式
D.文字样式、多行文字
54.[单选题] AutoCAD支持三种类型的三维建模。( )为一种轮廓模型,它由三维的直线和曲线组成。( )不仅定义三维对象的边界,而且还定义表面。( )不仅具有线和面的特征,而且还具有体的特征。
A.线框模型、曲面模型、实体模型
B.实体模型、曲面模型、线框模型
C.线框模型、实体模型、曲面模型
D.实体模型、线框模型、曲面模型
55.[单选题] 在AutoCAD中,图中右边图形可能是通过( )左边的图形得到的。

A.移动或缩放
B.旋转或镜像
C.缩放或复制
D.删除或移动
56.[单选题] 在AutoCAD中,若要移动对象, 旋转对象,可以分别使用 ( )命令来完成。
A.MOVE, SCALE
B.MOVE, ERASE
C.MOVE, ROTATE
D.LENGTHEN, ROTATE
57.[单选题] 以下不属于AutoCAD的功能是:
A.图形绘制功能
B.人力资源管理功能
C.图形编辑功能
D.多种图形格式转换功能
58.[单选题] 在AutoCAD中,图中操作后的图形可以由原始图形通过( )操作得到。

A.复制
B.面域并集运算
C.缩放
D.旋转
59.[单选题] 在AutoCAD中,( )命令可以删除对象上的某一部分或把对象分成两部分。
A.修剪
B.打断
C.合并
D.分解
60.[单选题] 在AutoCAD 2008默认状态下,当夹点变为( )时,用户可以对图形对象进行某些编辑。
A.红色
B.紫色
C.白色
D.蓝色
61.[单选题] 在AutoCAD中,用图中设置插入的表格有( ) 。

A.1行10列
B.3行5列
C.3行2列
D.5行10列
62.[单选题] AutoCAD支持三维建模。图中左边为原始图形,右边为操作后的图形。可以通过( )操作方便地从左边原始图形得到右边操作后的图形。

A.三维镜像
B.三维阵列
C.三维对齐
D.三维旋转
63.[单选题] 在AutoCAD中,图形文件的格式是
A.*.pptx
B.*.dwg
C.*.docx
D.*.ppt
64.[单选题] AutoCAD具有绘制椭圆的功能,在AutoCAD中绘制椭圆的命令是( )。
A.CIRCLE
B.ELLIPSE
C.ARC
D.POLYGON
65.[单选题] AutoCAD 2008中CAD缩写代表的是
A.Computer-Aided Diagnosis
B.Communication And Design
C.Custom Application Development
D.Computer Aided Design
66.[单选题] 在图层中,
表示图层处于( )状态。
A.关闭、被冻结、解锁
B.关闭、被解冻、解锁
C.关闭、被解冻、锁定
D.打开、被冻结、锁定
67.[单选题] 需要进行椭圆绘制时,在AutoCAD 2008中绘制椭圆的命令是( )。
A.ARC
B.POLYGON
C.RECTANG
D.ELLIPSE
68.[单选题] AutoCAD 2008支持三维建模。( )为一种轮廓模型,它由三维的直线和曲线组成。( )不仅定义三维对象的边界,而且还定义表面。( )不仅具有线和面的特征,而且还具有体的特征。
A.线框模型、实体模型、曲面模型
B.实体模型、线框模型、曲面模型
C.线框模型、曲面模型、实体模型
D.曲面模型、线框模型、实体模型
69.[单选题] 用户需要将源对象向下阵列,则在"行偏移"文本中输入正数,在"列偏移"文本中输入_____________.
A.正数
B.负数
70.[单选题] 有时会重复使用已建立的图形,可以根据作图需要将这组对象插入到图中任意指定位置,并可以按不同的( )和( ) 插入。
A.比例、颜色
B.比例、旋转角度
C.比例、对齐方式
D.组合对象、旋转角度
71.[单选题] 可以使用AutoCAD的三维建模功能。图中左边为原始图形,右边为操作后的图形。可以通过( )操作方便地从左边原始图形得到右边操作后的图形。

A.三维对齐
B.三维镜像
C.三维旋转
D.三维移动
72.[单选题] 在AutoCAD中,已知圆心位置和圆的周长,可采用( )来绘制圆。
A.指定两点
B.指定圆的圆心和半径
C.指定相切、相切、半径
D.指定四点
73.[单选题] 在AutoCAD中可以创建和管理图层。以下对图层的描述错误的是:
A.图层好像是由多张透明的图纸重叠在一起而组成的,用户可以根据图层来对图形几何对象、文字、标注等元素进行归类管理。
B.每个图层都有名称,图层的名称按图层1、图层2的编号依次递增,用户是不能对图层名称进行修改的。
C.用户可以对位于不同图层上的对象同时进行编辑操作。
D.用户可以在一幅图中指定任意数量的图层。
74.[单选题] 如果一张纸的左下角点为(40,10),右上角点为(130,80),那么该图纸的图限范围为( ) 。
A.70 X 70
B.80 X 70
C.90 X 70
D.90 X 60
75.[单选题] 可以在AutoCAD中进行布尔运算,可以对面域进行( )布尔运算。
A.交集、并集、与或集
B.交集、并集、差集
C.交集、差集、乘集
D.交集、差集、与或集
76.[单选题] 可以在AutoCAD中对图形进行各种操作,如图所示,操作后图形可以由操作前图形通过( )操作得到。

A.缩放
B.旋转
C.分解
D.填充
77.[单选题] 用户可以使用AutoCAD的标注功能,标注倾斜直线的实际长度时,可使用( )进行标注。
A.圆心标记
B.弧长标注
C.对齐标注
D.直径标注
78.[单选题] 下列的功能不属于AutoCAD 2008的功能是:
A.图形编辑功能
B.多种图形格式转换功能
C.企业生产管理功能
D.图形渲染功能
79.[单选题] 通过AutoCAD,需要移动对象, 旋转对象时,可以分别使用 ( )命令来完成。
A.MOVE, ERASE
B.LENGTHEN, ROTATE
C.MOVE, ROTATE
D.MOBE, BREAK
80.[单选题] 工具栏中
两个按钮可分别用于创建( )。
A.单行文字、文字样式
B.多行文字、单行文字
C.文字样式、多行文字
D.文字样式、单行文字
81.[单选题] 用AutoCAD 2008进行直线绘制时,第一个点的绝对坐标是(1,15),第二个点的相对坐标是(4,10),则第二个点的坐标用绝对坐标表示是( ) 。
A.(15,25 )
B.(20,25 )
C.(5,25)
D.(5,15 )
82.[单选题] AutoCAD 2008的图形文件的后缀名是
A.*.docx
B.*.xls
C.*.mp3
D.*.dwg
83.[单选题] 有时会重复使用已建立的图形,为了提高绘图的速度和效率,AutoCAD提供了( ) 。如果一个图形需要参照其他图形或者图像来绘制,而又不希望占用太多的存储空间,这时可以采用AutoCAD的( ) 。
A.图块功能、阵列功能功能
B.图块功能、外部参照功能
C.图块功能、组合功能
D.图块功能、镜像功能
84.[单选题] 使用夹点不可以实现______________________操作.
A.打断
B.拉伸
85.[单选题] AutoCAD 2008中,形位公差○表示( )
A.同轴度
B.对称度
C.平行度
D.圆度
86.[单选题] 用AutoCAD 2008进行直线绘制时,第一个点的绝对坐标是(0,10),第二个点的相对坐标是(5,15),则第二个点的绝对坐标是( ) 。
A.(10,25 )
B.(5,25)
C.(5,20 )
D.(5,20 )
87.[单选题] 下列的功能不属于AutoCAD的功能有:
A.企业生产管理功能
B.图形绘制功能
C.尺寸标注和文字输入功能
D.图形输出功能
88.[单选题] 工具栏中
两个按钮可分别用于创建( )。
A.多行文字、单行文字
B.多行文字、文字样式
C.表格、多行文字
D.单行文字、表格
89.[判断题] 修剪图形是将修剪对象沿事先确定的修剪边界断开,但不会删除位于剪切边一侧的部分。
A.对
B.错
90.[判断题] 在AutoCAD 2008中,标题栏位于工作界面的最下方,用于显示当前的程序图标。
A.对
B.错
91.[判断题] 在AutoCAD 2008中,可以将图形对象进行编组,以创建一种选择集,从而使编辑对象变得更为灵活。
A.对
B.错
92.[判断题] 对不同的图层,可以设置相同的颜色,也可以设置不同的颜色。
A.对
B.错
93.[判断题] 在绘制点时,点的位置可由输入的坐标值或通过单击鼠标来确定。
A.对
B.错
94.[判断题] 在AutoCAD中,夹点是控制对象的位置和大小的关键点,它提供了一种方便的编辑操作途径。
A.对
B.错
95.[问答题] 简述如何在“选项”对话框中设置绘图窗口的背景颜色(如白色)。
A.
96.[问答题] 在AutoCAD 2008中,怎样创建块和使用块?
A.
97.[问答题] 在AutoCAD中使用“偏移”命令应注意哪些问题?
A.
98.[问答题] 在三角形内,绘一园与三角形三边相切.如下图。请给出操作步骤。

A.
99.[问答题] 用直线命令完成下图写出步骤。

A.
100.[问答题] 绘制五角星图形,写出操作步骤。

A.
1.[单选题] 如果一张纸的左下角点为(30,10),右上角点为(120,80),那么该图纸的图限范围为( ) 。
下载答案,请参考帮助中心说明q
A.60 X 100
B.90 X 70
C.90 X 100
D.120 X 90
2.[单选题] 通过AutoCAD,若要移动对象, 旋转对象,可以分别使用 ( )命令来进行操作。
A.MOVE, SCALE
B.MOVE, ROTATE
C.JOIN, ROTATE
D.ROTATE, EXTEND
3.[单选题] 使用工具栏中的
可分别用于绘制( ) 。A.正多边形、矩形和圆弧
B.正多边形、矩形和圆
C.正多边形、矩形和椭圆弧
D.矩形、正多边形和椭圆弧
4.[单选题] 需要进行椭圆绘制时,在AutoCAD中可以使用( )命令来绘制椭圆。
A.CIRCLE
B.RAY
C.ELLIPSE
D.LINE
5.[单选题] 当涉及面域布尔运算时,可以对面域进行( )三种布尔运算。
A.交集、并集、差集
B.交集、并集、乘集
C.差集、并集、乘集
D.差集、并集、与或集
6.[单选题] 在AutoCAD中可以创建和管理图层。以下对图层的说法不正确的是:
A.每个图层都有名称,图层的名称按图层1、图层2的编号依次递增,用户是不能对图层名称进行修改的。
B.用户可以改变图层的线型、颜色和状态。
C.用户可以建立多个图层,但只能在当前图层上绘图。
D.各图层具有相同的坐标系,绘图界限及显示时的缩放倍数。
7.[单选题] 用户可以使用标注功能,标注倾斜直线的实际长度时,可使用:
A.半径标注
B.角度标注
C.对齐标注
D.直径标注
8.[单选题] AutoCAD支持三维建模。图中左边为原始图形,右边为操作后的图形。可以通过( )操作方便地从左边原始图形得到右边操作后的图形。
A.三维阵列
B.实体倒角
C.三维镜像
D.剖切
9.[单选题] 可以对图形进行操作,图中操作后的图形可以通过原始图形的( )操作得到。

A.面域并集运算
B.复制
C.面域交集运算
D.移动
10.[单选题] AutoCAD支持三维建模。( )为一种轮廓模型,它由三维的曲线和直线组成。( )不仅定义三维对象的边界,而且还定义表面。( )不仅具有线和面的特征,而且还具有体的特征。
A.实体模型、曲面模型、线框模型
B.线框模型、曲面模型、实体模型
C.曲面模型、实体模型、线框模型
D.线框模型、曲面模型、对象模型
11.[单选题] AutoCAD 2008的图形文件的后缀名为:
A.*.docx
B.*.html
C.*.dwg
D.*.mp3
12.[单选题] 如果一张纸的左下角点为(50,10),右上角点为(140,80),那么该图纸的图限范围为( ) 。
A.70 X 70
B.80 X 70
C.90 X 100
D.90 X 70
13.[单选题] 使用AutoCAD工具栏中
可分别用于绘制( ) 。A.正多边形、圆弧和圆
B.矩形、正多边形和圆弧
C.正多边形、矩形和圆弧
D.正多边形、矩形和椭圆弧
14.[单选题] 可以在AutoCAD中进行布尔运算,可以对面域进行( )三种布尔运算。
A.交集、并集、与或集
B.交集、差集、乘集
C.交集、并集、差集
D.差集、并集、乘集
15.[单选题] 在AutoCAD中,已知圆心位置和圆的周长,可使用( )来绘制圆。
A.指定两点
B.指定相切、相切、半径
C.指定圆的圆心和半径
D.指定长、宽
16.[单选题] AutoCAD 2008用户可以对图形进行各种操作,图中右边图形可能是通过( )左边的图形得到的。

A.缩放或复制 答案联系q76 1 29 6 02 1
B.删除或移动
C.旋转或镜像
D.阵列或移动
17.[单选题] 在图层中, 表示图层处于( )状态。
A.关闭、被解冻、解锁
B.关闭、被解冻、锁定
C.关闭、被冻结、解锁
D.打开、被解冻、解锁
18.[单选题] 下列的功能不属于AutoCAD 2008的功能有:
A.企业生产管理功能
B.图形编辑功能
C.多种图形格式转换功能
D.尺寸标注和文字输入功能
19.[单选题] 有时会重复使用已建立的图形,根据需要将这组对象插入到图中任意指定位置,并可以按不同的( )和( ) 插入。
A.比例、颜色
B.比例、对齐方式
C.比例、旋转角度
D.颜色、旋转角度
20.[单选题] 可以在AutoCAD中对图形进行各种操作,图中操作后的图形可以通过原始图形的( )操作得到。

A.缩放
B.旋转
C.面域并集运算
D.面域交集运算
21.[单选题] 使用“直线”命令绘制与X轴成45°角,长为200的直线,起点为(0,0),则终点
坐标使用极坐标表示是___________。
A.(@200<135)
B.(@200<45)
22.[单选题] AutoCAD 2008支持三维建模。( )为一种轮廓模型,它由三维的曲线和直线组成。( )不仅定义三维对象的边界,而且还定义表面。( )不仅具有线和面的特征,而且还具有体的特征。
A.线框模型、实体模型、曲面模型
B.实体模型、线框模型、曲面模型
C.曲面模型、实体模型、线框模型
D.线框模型、曲面模型、实体模型
23.[单选题] 用AutoCAD 2008进行直线绘制时,第一个点的绝对坐标是(2,10),第二个点的相对坐标是(3,15),则第二个点的绝对坐标是( ) 。
A.(15,25 )
B.(20,25 )
C.(5,20 )
D.(5,25)
24.[单选题] AutoCAD 2008中 CAD指的是
A.Computer-Aided Diagnosis
B.Communication And Design
C.Computer Aided Design
D.Consumer Advocate Division
25.[单选题] 用户需要将源对象向下阵列,则在"行偏移"文本中输入正数,在"列偏移"文本中输入_____________.
A.正数
B.负数
26.[单选题] 使用( )命令,可以删除对象上的某一部分,或者把对象分成两部分。
A.打断
B.合并
C.分解
D.倒角
27.[单选题] 在AutoCAD中,已知圆的周长和圆心位置,可使用( )来绘制圆。
A.指定三点
B.指定长、宽
C.指定中心点、轴端点、半轴长度
D.指定圆的圆心和半径
28.[单选题] 用户可以使用AutoCAD绘制表格,用图中设置插入的表格有( ) 。

A.3行5列
B.1行10列
C.2行10列
D.10行2列
29.[单选题] 图形建立后,有时会重复使用,为了提高绘图的速度和效率,AutoCAD提供了( ) 。如果一个图形需要参照其他图形或者图像来绘制,又不希望占用太多的存储空间,这时可以采用AutoCAD的( ) 。
A.图块功能、外部参照功能
B.阵列功能、外部参照功能
C.组合功能、外部参照功能
D.镜像功能、外部参照功能
30.[单选题] 使用AutoCAD 2008制图时,将一组对象组合成块之后,根据需要将这组对象插入到图中任意指定位置,并可以按不同的( )和( ) 插入。
A.比例、旋转角度
B.比例、组合对象
C.颜色、旋转角度
D.对齐方式、旋转角度
31.[单选题] 在AutoCAD的菜单中,如果菜单菜单命令后跟有“···”符号,表示______________________ 。
A.该命令下还有子命令
B.单击该命令可打开一个对话框
32.[单选题] ( )命令,可以删除对象上的某一部分,或者把对象分成两部分。
A.合并
B.打断
C.分解
D.圆角
33.[单选题] 通过AutoCAD,需要移动对象, 旋转对象时,可以分别使用 ( )命令来进行操作。
A.MOVE, ERASE
B.LENGTHEN, ROTATE
C.JOIN, ROTATE
D.MOVE, ROTATE
34.[单选题] AutoCAD 2008中CAD缩写指的是
A.Computer-Aided Diagnosis
B.Custom Application Development
C.Computer Aided Design
D.Computer And Database
35.[单选题] 默认状态下,在AutoCAD 2008中当夹点变为( )时,可以对图形对象进行编辑。
A.紫色
B.白色
C.蓝色
D.黄色
36.[单选题] 当在AutoCAD中进行图案填充时,孤岛检测方式有( )三种。
A.普通、外部、区块
B.外部、忽略、区块
C.普通、外部、忽略
D.普通、外部、交叉
37.[单选题] 需要进行椭圆绘制时,在AutoCAD 2008中可以使用( )命令来绘制椭圆。
A.ELLIPSE
B.ARC
C.POLYGON
D.RAY
38.[单选题] 设定新的UCS时,需要通过绕指定轴旋转一定的角度来指定新的UCS,
使用创建方式_____________ 。
A.三点
B.X/Y/Z
39.[单选题] 工具栏中
两个按钮可分别用于创建( )。A.单行文字、文字样式
B.单行文字、文字样式
C.多行文字、单行文字
D.表格、多行文字
40.[单选题] 在AutoCAD中可以创建和管理图层。以下对图层的描述不正确的是:
A.图层好像是由多张透明的图纸重叠在一起而组成的,用户可以根据图层来对图形几何对象、文字、标注等元素进行归类管理。
B.用户可以对位于不同图层上的对象同时进行编辑操作。
C.每个图层都有名称,图层的名称按图层1、图层2的编号依次递增,用户是不能对图层名称进行修改的。
D.用户可以建立多个图层,但只能在当前图层上绘图。
41.[单选题] 有时会重复使用已建立的图形,为了提高绘图的速度和效率,AutoCAD提供了( ) 。如果一个图形需要参照其他图形或者图像来绘制,又不希望占用太多的存储空间,这时可以采用AutoCAD的( ) 。
A.图块功能、阵列功能功能
B.图块功能、组合功能
C.图块功能、外部参照功能
D.组合功能、外部参照功能
42.[单选题] 在AutoCAD工程制图中,很多图形都会重复使用,为了提高绘图的速度和效率,AutoCAD提供了( ) 。如果一个图形需要参照其他图形或者图像来绘制,而又不希望占用太多的存储空间,这时可以采用AutoCAD的( ) 。
A.阵列功能、外部参照功能
B.图块功能、外部参照功能
C.图块功能、阵列功能功能
D.图块功能、组合功能
43.[单选题] AutoCAD 2008中可以创建和管理图层。以下对图层的说法错误的是
A.用户可以改变图层的线型、颜色和状态。
B.每个图层都有名称,图层的名称按图层1、图层2的编号依次递增,用户是不能对图层名称进行修改的。
C.图层好像是由多张透明的图纸重叠在一起而组成的,用户可以根据图层来对图形几何对象、文字、标注等元素进行归类管理。
D.用户可以对位于不同图层上的对象同时进行编辑操作。
44.[单选题] AutoCAD的工具栏中
可分别用于绘制( ) 。A.正多边形、矩形和圆
B.正多边形、矩形和圆弧
C.正多边形、圆弧和圆
D.矩形、正多边形和圆弧
45.[单选题] 在AutoCAD中,如图所示,操作后图形可以由操作前图形通过( )操作得到。

A.复制
B.填充
C.缩放
D.旋转
46.[单选题] 绘制一条直线,第一个点的绝对坐标是(0,10),第二个点的相对坐标是(5,15),则第二个点的坐标用绝对坐标表示是( ) 。
A.(5,25)
B.(10,25 )
C.(15,25 )
D.(20,25 )
47.[单选题] 如果一张纸的左下角点为(10,10),右上角点为(100,80),那么该图纸的图限范围为( ) 。
A.60 X 100
B.90 X 70
C.70 X 70
D.80 X 70
48.[单选题] AutoCAD中CAD缩写代表的是
A.Computer Aided Design
B.Computer-Aided Diagnosis
C.Communication And Design
D.Computer And System
49.[单选题] 在AutoCAD中,标注倾斜直线的实际长度时,可使用( )进行标注。
A.半径标注
B.对齐标注
C.圆心标记
D.弧长标注
50.[单选题] 在AutoCAD中,可以对面域进行( )布尔运算。
A.交集、并集、乘集
B.交集、并集、差集
C.交集、并集、与或集
D.交集、差集、乘集
51.[单选题] 使用AutoCAD绘图时,已知圆的周长和圆心位置,可采用( )来绘制圆。
A.指定三点
B.指定圆的圆心和半径
C.指定两点
D.指定相切、相切、半径
52.[单选题] 在图层中,
表示图层处于( )状态。A.关闭、被冻结、锁定
B.关闭、被冻结、解锁
C.关闭、被解冻、解锁
D.关闭、被解冻、锁定
53.[单选题] 工具栏中
两个按钮可分别用于创建( )。A.多行文字、文字样式
B.多行文字、单行文字
C.单行文字、文字样式
D.文字样式、多行文字
54.[单选题] AutoCAD支持三种类型的三维建模。( )为一种轮廓模型,它由三维的直线和曲线组成。( )不仅定义三维对象的边界,而且还定义表面。( )不仅具有线和面的特征,而且还具有体的特征。
A.线框模型、曲面模型、实体模型
B.实体模型、曲面模型、线框模型
C.线框模型、实体模型、曲面模型
D.实体模型、线框模型、曲面模型
55.[单选题] 在AutoCAD中,图中右边图形可能是通过( )左边的图形得到的。

A.移动或缩放
B.旋转或镜像
C.缩放或复制
D.删除或移动
56.[单选题] 在AutoCAD中,若要移动对象, 旋转对象,可以分别使用 ( )命令来完成。
A.MOVE, SCALE
B.MOVE, ERASE
C.MOVE, ROTATE
D.LENGTHEN, ROTATE
57.[单选题] 以下不属于AutoCAD的功能是:
A.图形绘制功能
B.人力资源管理功能
C.图形编辑功能
D.多种图形格式转换功能
58.[单选题] 在AutoCAD中,图中操作后的图形可以由原始图形通过( )操作得到。

A.复制
B.面域并集运算
C.缩放
D.旋转
59.[单选题] 在AutoCAD中,( )命令可以删除对象上的某一部分或把对象分成两部分。
A.修剪
B.打断
C.合并
D.分解
60.[单选题] 在AutoCAD 2008默认状态下,当夹点变为( )时,用户可以对图形对象进行某些编辑。
A.红色
B.紫色
C.白色
D.蓝色
61.[单选题] 在AutoCAD中,用图中设置插入的表格有( ) 。

A.1行10列
B.3行5列
C.3行2列
D.5行10列
62.[单选题] AutoCAD支持三维建模。图中左边为原始图形,右边为操作后的图形。可以通过( )操作方便地从左边原始图形得到右边操作后的图形。

A.三维镜像
B.三维阵列
C.三维对齐
D.三维旋转
63.[单选题] 在AutoCAD中,图形文件的格式是
A.*.pptx
B.*.dwg
C.*.docx
D.*.ppt
64.[单选题] AutoCAD具有绘制椭圆的功能,在AutoCAD中绘制椭圆的命令是( )。
A.CIRCLE
B.ELLIPSE
C.ARC
D.POLYGON
65.[单选题] AutoCAD 2008中CAD缩写代表的是
A.Computer-Aided Diagnosis
B.Communication And Design
C.Custom Application Development
D.Computer Aided Design
66.[单选题] 在图层中,
表示图层处于( )状态。A.关闭、被冻结、解锁
B.关闭、被解冻、解锁
C.关闭、被解冻、锁定
D.打开、被冻结、锁定
67.[单选题] 需要进行椭圆绘制时,在AutoCAD 2008中绘制椭圆的命令是( )。
A.ARC
B.POLYGON
C.RECTANG
D.ELLIPSE
68.[单选题] AutoCAD 2008支持三维建模。( )为一种轮廓模型,它由三维的直线和曲线组成。( )不仅定义三维对象的边界,而且还定义表面。( )不仅具有线和面的特征,而且还具有体的特征。
A.线框模型、实体模型、曲面模型
B.实体模型、线框模型、曲面模型
C.线框模型、曲面模型、实体模型
D.曲面模型、线框模型、实体模型
69.[单选题] 用户需要将源对象向下阵列,则在"行偏移"文本中输入正数,在"列偏移"文本中输入_____________.
A.正数
B.负数
70.[单选题] 有时会重复使用已建立的图形,可以根据作图需要将这组对象插入到图中任意指定位置,并可以按不同的( )和( ) 插入。
A.比例、颜色
B.比例、旋转角度
C.比例、对齐方式
D.组合对象、旋转角度
71.[单选题] 可以使用AutoCAD的三维建模功能。图中左边为原始图形,右边为操作后的图形。可以通过( )操作方便地从左边原始图形得到右边操作后的图形。

A.三维对齐
B.三维镜像
C.三维旋转
D.三维移动
72.[单选题] 在AutoCAD中,已知圆心位置和圆的周长,可采用( )来绘制圆。
A.指定两点
B.指定圆的圆心和半径
C.指定相切、相切、半径
D.指定四点
73.[单选题] 在AutoCAD中可以创建和管理图层。以下对图层的描述错误的是:
A.图层好像是由多张透明的图纸重叠在一起而组成的,用户可以根据图层来对图形几何对象、文字、标注等元素进行归类管理。
B.每个图层都有名称,图层的名称按图层1、图层2的编号依次递增,用户是不能对图层名称进行修改的。
C.用户可以对位于不同图层上的对象同时进行编辑操作。
D.用户可以在一幅图中指定任意数量的图层。
74.[单选题] 如果一张纸的左下角点为(40,10),右上角点为(130,80),那么该图纸的图限范围为( ) 。
A.70 X 70
B.80 X 70
C.90 X 70
D.90 X 60
75.[单选题] 可以在AutoCAD中进行布尔运算,可以对面域进行( )布尔运算。
A.交集、并集、与或集
B.交集、并集、差集
C.交集、差集、乘集
D.交集、差集、与或集
76.[单选题] 可以在AutoCAD中对图形进行各种操作,如图所示,操作后图形可以由操作前图形通过( )操作得到。

A.缩放
B.旋转
C.分解
D.填充
77.[单选题] 用户可以使用AutoCAD的标注功能,标注倾斜直线的实际长度时,可使用( )进行标注。
A.圆心标记
B.弧长标注
C.对齐标注
D.直径标注
78.[单选题] 下列的功能不属于AutoCAD 2008的功能是:
A.图形编辑功能
B.多种图形格式转换功能
C.企业生产管理功能
D.图形渲染功能
79.[单选题] 通过AutoCAD,需要移动对象, 旋转对象时,可以分别使用 ( )命令来完成。
A.MOVE, ERASE
B.LENGTHEN, ROTATE
C.MOVE, ROTATE
D.MOBE, BREAK
80.[单选题] 工具栏中
两个按钮可分别用于创建( )。A.单行文字、文字样式
B.多行文字、单行文字
C.文字样式、多行文字
D.文字样式、单行文字
81.[单选题] 用AutoCAD 2008进行直线绘制时,第一个点的绝对坐标是(1,15),第二个点的相对坐标是(4,10),则第二个点的坐标用绝对坐标表示是( ) 。
A.(15,25 )
B.(20,25 )
C.(5,25)
D.(5,15 )
82.[单选题] AutoCAD 2008的图形文件的后缀名是
A.*.docx
B.*.xls
C.*.mp3
D.*.dwg
83.[单选题] 有时会重复使用已建立的图形,为了提高绘图的速度和效率,AutoCAD提供了( ) 。如果一个图形需要参照其他图形或者图像来绘制,而又不希望占用太多的存储空间,这时可以采用AutoCAD的( ) 。
A.图块功能、阵列功能功能
B.图块功能、外部参照功能
C.图块功能、组合功能
D.图块功能、镜像功能
84.[单选题] 使用夹点不可以实现______________________操作.
A.打断
B.拉伸
85.[单选题] AutoCAD 2008中,形位公差○表示( )
A.同轴度
B.对称度
C.平行度
D.圆度
86.[单选题] 用AutoCAD 2008进行直线绘制时,第一个点的绝对坐标是(0,10),第二个点的相对坐标是(5,15),则第二个点的绝对坐标是( ) 。
A.(10,25 )
B.(5,25)
C.(5,20 )
D.(5,20 )
87.[单选题] 下列的功能不属于AutoCAD的功能有:
A.企业生产管理功能
B.图形绘制功能
C.尺寸标注和文字输入功能
D.图形输出功能
88.[单选题] 工具栏中
两个按钮可分别用于创建( )。A.多行文字、单行文字
B.多行文字、文字样式
C.表格、多行文字
D.单行文字、表格
89.[判断题] 修剪图形是将修剪对象沿事先确定的修剪边界断开,但不会删除位于剪切边一侧的部分。
A.对
B.错
90.[判断题] 在AutoCAD 2008中,标题栏位于工作界面的最下方,用于显示当前的程序图标。
A.对
B.错
91.[判断题] 在AutoCAD 2008中,可以将图形对象进行编组,以创建一种选择集,从而使编辑对象变得更为灵活。
A.对
B.错
92.[判断题] 对不同的图层,可以设置相同的颜色,也可以设置不同的颜色。
A.对
B.错
93.[判断题] 在绘制点时,点的位置可由输入的坐标值或通过单击鼠标来确定。
A.对
B.错
94.[判断题] 在AutoCAD中,夹点是控制对象的位置和大小的关键点,它提供了一种方便的编辑操作途径。
A.对
B.错
95.[问答题] 简述如何在“选项”对话框中设置绘图窗口的背景颜色(如白色)。
A.
96.[问答题] 在AutoCAD 2008中,怎样创建块和使用块?
A.
97.[问答题] 在AutoCAD中使用“偏移”命令应注意哪些问题?
A.
98.[问答题] 在三角形内,绘一园与三角形三边相切.如下图。请给出操作步骤。
A.
99.[问答题] 用直线命令完成下图写出步骤。
A.
100.[问答题] 绘制五角星图形,写出操作步骤。
A.
版权声明
声明:有的资源均来自网络转载,版权归原作者所有,如有侵犯到您的权益
请联系本站我们将配合处理!
