问题描述:
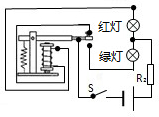
如图所示是小敏设计的一个红、绿两灯能交替发光的未完成的电路,请你帮她完成电路的连接.
最佳答案: 两灯并联,将红灯和电磁铁串联组成一条支路,绿灯一条支路,如图所示:
版权声明
声明:有的资源均来自网络转载,版权归原作者所有,如有侵犯到您的权益
请联系本站我们将配合处理!
上一篇 : 春蝉到死丝方尽 蜡炬成灰泪始干的意思谁写的
下一篇 :可怜天下父母心的全诗
