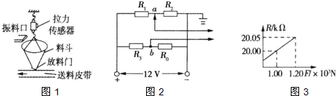
工业生产中需要物料配比的地方,常用“吊斗式”电子秤,图1所示的是“吊斗式”电子秤的结构图,其中实现称质量的关键性元件是拉力传感器.拉力传感器的内部电路如图2所示,R1、R2、
问题描述:
工业生产中需要物料配比的地方,常用“吊斗式”电子秤,图1所示的是“吊斗式”电子秤的结构图,其中实现称质量的关键性元件是拉力传感器.拉力传感器的内部电路如图2所示,R1、R2、R3是定值电阻,R1=20kΩ,R2=10kΩ,R0是对拉力敏感的应变片电阻,其电阻值随拉力变化的图象如图3所示,已知料斗重1×103N,没装料时Uba=0,g取10m/s2.下列说法中正确的是( )
A. R3阻值为40?kΩ
B. 装料时,R0的阻值逐渐变大,Uba的值逐渐变小
C. 应变片电阻一定是用半导体材料制成的
D. 应变片作用是把物体形变这个力学量转换为电压这个电学量
最佳答案: A、电路中,当没装料时Uba=0,此时拉力等于料斗重,为:1×103N,故应变片电阻为20KΩ,根据串并联电压关系,有:R1R2=R3R0解得:R3=R0R2R1=20kΩ10KΩ×20KΩ=40KΩ,故A正确;B、C、装料时,R0的阻值逐渐变大,b点...
版权声明
声明:有的资源均来自网络转载,版权归原作者所有,如有侵犯到您的权益
请联系本站我们将配合处理!
