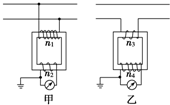
如图甲、乙是配电房中的互感器和电表的接线图,下列说法中正确的是()A.线圈匝数n1<n2,n3<n4B.线圈匝数n1>n2,n3<n4C.甲图中的电表是电压表,输出端不可以短路D.乙图中的
问题描述:
如图甲、乙是配电房中的互感器和电表的接线图,下列说法中正确的是( )
A.线圈匝数n1<n2,n3<n4
B.线圈匝数n1>n2,n3<n4
C.甲图中的电表是电压表,输出端不可以短路
D.乙图中的电表是电流表,输出端不可以断路
最佳答案: A、甲并联在电路中是电压互感器,电路中是强电压,通过变压器变成弱电压,用电压表测量,因为电压之比等于线圈匝数比,所以n1>n2,
由图可知,乙串联在电路中是电流互感器,电路中是强电流,通过变压器变成弱电流,用电流表测量,因为电流之比等于线圈匝数的倒数比,所以n3<n4,故A错误,B正确;
C、甲图中的电表是电压表,副线圈电流较大,输出端不可以短路.故C正确;
D、乙图中的电表是电流表,输出端不可以断路.故D正确;
故选:BCD.
版权声明
声明:有的资源均来自网络转载,版权归原作者所有,如有侵犯到您的权益
请联系本站我们将配合处理!
