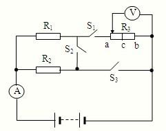
如图所示的电路中,滑动变阻器的最大阻值为20欧,电源电压恒定不变.则当开关S1和S2断开,S3闭合时,电流表的读数为1.0安;当开关S1断开,S2和S3闭合时,电流的读数为3.0安;当开关S1闭合
问题描述:
如图所示的电路中,滑动变阻器的最大阻值为20欧,电源电压恒定不变.则当开关S1和S2断开,S3闭合时,电流表的读数为1.0安;当开关S1断开,S2和S3闭合时,电流的读数为3.0安;当开关S1闭合,S2和S3断开时,变阻器的滑片P从a端滑到中点c的过程中,电压表读数减少了4.0伏.求R1和R2的电阻值各为多大?
最佳答案:
设电源电压为U
当S1和S2断开,S3闭合时,等效电路如右(1)所示,则
电路中的电流I2=
| U |
| R2 |
当S1断开,S2和S3闭合时,等效电路如右(2)所示,则
干路电流I′=
| U |
| R1 |
| U |
| R2 |
当S1闭合,S2和S3断开时,等效电路如右(3)所示,则
△U=I△R=
| U |
| R1+R3 |
| 1 |
| 2 |
| U×10Ω |
| R1+20Ω |
由①②③三式联立方程组,解得:R1=5Ω,R2=10Ω.
答:R1和R2的电阻值分别为5Ω、10Ω.
版权声明
声明:有的资源均来自网络转载,版权归原作者所有,如有侵犯到您的权益
请联系本站我们将配合处理!
