如图所示,三个灯泡是相同的,额定功率足够大,直流电源E1内阻可以忽略,交流电源E2的电动势有效值与E1相等,自感线圈直流电阻不计.当S接A时,三灯亮度相同,当S接B稳定时()A
问题描述:
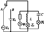
如图所示,三个灯泡是相同的,额定功率足够大,直流电源E1内阻可以忽略,交流电源E2的电动势有效值与E1相等,自感线圈直流电阻不计.当S接A时,三灯亮度相同,当S接B稳定时( )A.甲、乙、丙三灯亮度相同
B.甲最亮,丙不亮
C.甲和乙亮度相同,丙不亮
D.乙最亮,丙不亮
最佳答案: 根据
电阻:阻碍电流,但不会储存能量;
电容:可以储存电能,但当充电完毕,即无电流通过;
电感:可以通过自感现象储存能量,稳定后相当于导线.
甲亮度中等,乙最亮,丙不亮,故D正确.
故选:D.
版权声明
声明:有的资源均来自网络转载,版权归原作者所有,如有侵犯到您的权益
请联系本站我们将配合处理!
