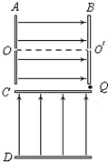
如图所示装置中,AB是两个竖直放置的平行金属板,在两板中心处各开有一个小孔,板间距离为d,板长也为d,在两板间加上电压U后,形成水平向右的匀强电场.在B板下端(紧挨B板下端,但
问题描述:
如图所示装置中,AB是两个竖直放置的平行金属板,在两板中心处各开有一个小孔,板间距离为d,板长也为d,在两板间加上电压U后,形成水平向右的匀强电场.在B板下端(紧挨B板下端,但未接触)固定有一个点电荷Q,可以在极板外的空间形成电场.紧挨其下方有两个水平放置的金属极板CD,板间距离和板长也均为d,在两板间加上电压U后可以形成竖直向上的匀强电场.某时刻在O点沿中线OO'由静止释放一个质量为m,带电量为q的正粒子,经过一段时间后,粒子从CD两极板的正中央进入电场,最后由CD两极板之间穿出电场.不计极板厚度及粒子的重力,假设装置产生的三个电场互不影响,静电力常量为k.求:(1)粒子经过AB两极板从B板飞出时的速度大小;
(2)在B板下端固定的点电荷Q的电性和电量;
(3)粒子从CD两极板之间飞出时的位置与释放点O之间的距离.
最佳答案: (1)粒子经过AB两板,由动能定理可知:qU=
| 1 |
| 2 |
得:v=
|
(2)粒子飞出B板后,在Q的作用下做匀速圆周运动,由受力分析可知Q带负电,由库仑力提供粒子所需要的向心力,则得:
k
(
|
| v2 | ||
|
解得:Q=
| dU |
| k |
(3)粒子沿CD中线进入CD间的电场,做类平抛运动
水平方向做匀速直线运动,有:d=vt ②
竖直方向做匀加速直线运动,有:y=
| 1 |
| 2 |
且 a=
| qU |
| md |
由①~④可得:y=
| 1 |
| 4 |
则飞出CD板时的位置与O点之间的距离为:S=d-y=
| 3 |
| 4 |
答:
(1)粒子经过AB两极板从B板飞出时的速度大小为
|
(2)在B板下端固定的点电荷Q带负电,电量为
| dU |
| k |
(3)粒子从CD两极板之间飞出时的位置与释放点O之间的距离为
| 3 |
| 4 |
版权声明
声明:有的资源均来自网络转载,版权归原作者所有,如有侵犯到您的权益
请联系本站我们将配合处理!
