物理实验室里有两只小灯泡L1、L2,其中L1上标有“6V3W”,L2上标有“9V3W”的字样,小聪、小明、小慧对这两只灯泡接在同一个电路中的亮度进行了猜想:小聪认为一定是L1较亮
问题描述:
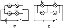
| 物理实验室里有两只小灯泡L 1 、L 2 ,其中L 1 上标有“6V?3W”,L 2 上标有“9V?3W”的字样,小聪、小明、小慧对这两只灯泡接在同一个电路中的亮度进行了猜想: 小聪认为一定是L 1 较亮,因为工作时通过L 1 的电流大;小明认为一定是L 2 较亮,因为L 2 的额定电压大;小慧认为一定是两灯一样亮,因为它们的额定功率相同. 为了验证谁的猜想正确,他(她)们进行了如下实验: (1)将L 1 、L 2 两灯按图甲并联接在6V的电源上,用电流表A 1 、A 2 分别测出通过两灯的电流,填入图表,同时观察比较两灯的亮度,发现L 1 比L 2 亮; (2)将L 1 、L 2 两灯按图乙串联接在6V的电源上,用电压表V 1 、V 2 分别测出L 1 、L 2 两端的电压,填入下表,同时观察比较两灯的亮度,发现L 2 比L 1 亮. 请你根据图乙所示的电路图,用笔画线代替导线,在图丙中将V 2 接入电路.
分析论证: (1)图甲中,两灯电压相同,通过L 1 的电流较大,此时L 1 的实际功率比L 2 的大,所以L 1 比L 2 亮; (2)图乙中,______,所以L 2 比L 1 亮; (3)由此可知,三位同学的猜想都是片面的,决定灯泡亮度的应是灯泡工作时的______. |
最佳答案: 电路连接如图所示: (1)从图甲可知,U=U 1 =U 2 ,从表格中可知,I 1 >I 2 ,∵P 1 =U 1 I 1 ,P 2 =U 2 I 2 ,∴P 1 >P 2 ,因此L 1 比L 2 亮.答:图甲中,两灯电压相同,通过L 1 的电流较大,此时L 1 的...
版权声明
声明:有的资源均来自网络转载,版权归原作者所有,如有侵犯到您的权益
请联系本站我们将配合处理!
