小明同学利用如图甲所示的电路探究电流跟电阻的关系.已知电源电压为6V且保持不变,实验用到的电阻阻值分别为5Ω,10Ω,15Ω,20Ω,25Ω
小明同学利用如图甲所示的电路探究电流跟电阻的关系.已知电源电压为6V且保持不变,实验用到的电阻阻值分别为5Ω,10Ω,15Ω,20Ω,25Ω

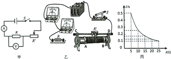
(1)请根据图甲所示电路图将图乙所示的实物电路连接完整(要求:滑动变阻器滑片左滑.电路中的电流增大,导线不允许交叉).闭合开关前,应将滑动变阻器滑片滑到______ (选填“A”或“B”)端.
(2)滑动变阻器在本实验中的作用是①______,②______.
(3)实验中多次改变R的阻值,调节滑动变阻器的滑片,使电压表示数保持不变,记下电流表的示数,得到如图丙所示的电流I随电阻R变化的图象.
①由图象可以得出结论:______.②上述实验中,超超用5Ω的电阻做完实验后,接下来的操作是,将10Ω的电阻接入电路,闭合开关,移动滑片,使电压表示数为______ V时,读出电流表的示数.
(4)若电流表的示数突然变为0,而电压表的示数增大,经检查,电表和导线无故障,则出现的故障可能是______.
(5)以上实验中所用到物理实验方法是______,下列实验中也用到了该方法的是______ (填字母)
A.探究杠杆平衡条件
B.探究影响滑动摩擦力大小的因素
C.测液体的密度.
【答案】(1)见图;B;

(2)保护电路;保持定值电阻两端的电压不变;
(3)①电压一定时,通过导体的电流与它的电阻成反比;②2.5;
(4)灯泡断路;
(5)控制变量法;B.
【解析】(1)电压表应并联在待测电阻两端,故据丙图象可判断出电压表的量程;再据滑动变阻器的解法及滑片左滑、电流变大,连接实物图即可.
电路在闭合开关前,滑片应打到最大阻值处;
(2)该实验中应控制电压不变,探究电流和电阻的关系,所以上面的知识分析该题即可判断.
(3)①分析丙图中的图象,判断电流和电阻的关系即可;
②据丙图中数据,结合欧姆定律分析即可得出电压值;
(4)无电流,则电路断路,电压表有示数,则与电压表并联的电路断路;
(5)据所学的控制变量法及所学的应用控制变量法的实验进行解析.
解:(1)电压表并联在待测电阻两端,且据丙图象中电阻为5Ω时对应的电流的数据能看出(其他的数据也可以),据I=
可知,
U=IR=0.5A×5Ω=2.5V,所以电压表选择小量程;同时变阻器的接法是“一上一下”,且滑片左滑、电流变大,故滑片左边的电阻丝接入电路,故答案图见下.

电路在闭合开关前,滑片应打到最大阻值处,故闭合开关前,应将滑动变阻器滑片滑到B处;
(2)滑动变阻器的基本作用是保护电路,由于该实验中要求保持电阻两端的电压不变,所以此时滑动变阻器的作用就是:保持定值电阻两端的电压不变.
(3)①分析丙图中的图象汇总电流和电阻的关系可看出:电压一定时,通过导体的电流与它的电阻成反比;
②用5Ω的电阻做实验时,此时的电流是0.5A,根据I=
可知,U=IR=0.5A×5Ω=2.5V,由于该实验中的要求保持定值电阻两端的电压不变,所以此时将10Ω的电阻接入电路,闭合开关,移动滑片,使电压表示数仍为2.5V;
(4)若电流表的示数为突然变为零,则电路断路,电压表有示数,则可能与电压表并联的电阻断路;
(5)在该实验中,我们保持电压不变,观察并分析电流与电阻的关系并得出规律,这里用到了控制变量法;
ABC中只有B,滑动摩擦力的大小与压力大小和接触面的粗糙程度两个因素有关,用到控制变量法.
故答案为:(1)见上图;B;
(2)保护电路;保持定值电阻两端的电压不变;
(3)①电压一定时,通过导体的电流与它的电阻成反比;②2.5;
(4)灯泡断路;
(5)控制变量法;B.
版权声明
声明:有的资源均来自网络转载,版权归原作者所有,如有侵犯到您的权益
请联系本站我们将配合处理!
