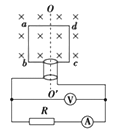
有一10匝正方形线框,边长为20 cm,线框总电阻为1 Ω,外接电阻=9 Ω,线框绕轴以10π rad/s的角速度匀速转动,如图,垂直于线框平面向里的匀强磁场的磁感应强度为0.5 T.问:
有一10匝正方形线框,边长为20 cm,线框总电阻为1 Ω,外接电阻=9 Ω,线框绕轴以10π rad/s的角速度匀速转动,如图,垂直于线框平面向里的匀强磁场的磁感应强度为0.5 T.问:
(1)该线框产生的交变电流电动势最大值是多少?
(2)线框从图示位置转过60°时,感应电动势的瞬时值是多大?
(3)写出感应电动势随时间变化的表达式.
(4)电路中电压表和电流表的示数各是多少?

(1)
(2)
(3)
(4)
(1)交变电流电动势最大值为:
;
(2)线框转过60°时,感应电动势:
;
(3)由于线框转动是从中性面开始计时的,所以瞬时值表达式为:
;
(4)电动势的有效值:
;
电流表的示数为:
;
电压表的示数为:
;
版权声明
声明:有的资源均来自网络转载,版权归原作者所有,如有侵犯到您的权益
请联系本站我们将配合处理!
