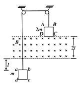
在竖直平面内,有正方形导线框ABCD和abcd的边长均为<img alt="1" src="/tk/20210511/1620710096929.png"
在竖直平面内,有正方形导线框ABCD和abcd的边长均为
、电阻均为R,质量分别为2m和m,它们用一根细线连接跨在两个光滑定滑轮的两边,在两导线框之间有一匀强磁场,宽度为2
、磁感应强度大小为B、方向垂直竖直面向里。开始时ABCD的下边与匀强磁场的上边界重合,abcd的上边到匀强磁场的下边界的距离为
。现将系统由静止释放,当ABCD刚全部进入磁场时,系统开始做匀速运动,不计摩擦和空气阻力,求:

(1)系统匀速运动的速度大小;
(2)两线框从开始运动至等高的过程中所产生的总焦耳热;
(3)线框abcd通过磁场的时间。
【答案】(1)
(2)2mg
-
(3)
(1)如图所示,设两线框刚匀速运动的速度为v,此时轻绳上的张力为T,则对ABCD,有
T=2mg
对abcd,有T=mg+BI
①
I=
E=B
v ②
则v=
③
(2)设两线框从开始运动至等高的过程中所产生的焦耳热为Q,当左、右两线框分别向上、向下运动2
的距离时,两线框等高,对这一过程,由能量守恒定律,得
4mg
=2mg
+×3mv2+Q④
联立③④解得Q=2mg
-
(3)线框abcd通过磁场时以速度v匀速运动,设线框abcd通过磁场的时间为t,
则t=
⑤
联立③⑤解得t=
版权声明
声明:有的资源均来自网络转载,版权归原作者所有,如有侵犯到您的权益
请联系本站我们将配合处理!
